Часто возникает необходимость сделать возможность включения и выключения света из двух или более мест. То есть, чтобы при входе на освещаемый участок вы могли включить свет, а когда уходите в другом его конце выключить и в обратном порядке.
Существует несколько решений данной задачи:
- реле времени
- датчики движения
- разнообразные импульсные реле для управления освещением
- проходные и перекрестные выключатели
В данной статье мы рассмотрим последний случай.
Управление светом из двух мест - схема с проходными выключателями
Проходной выключатель (также его еще называют переключатель) - это устройство, которое не просто замыкает или размыкает контакты, а переключает их, подавая напряжение либо на один выходной контакт, либо на другой. Иначе говоря, у него один контакт входа и два выходных контакта. К слову сказать, проходной выключатель, если на нем не задействовать один из выходных контактов, можно использовать как обычный выключатель.
Определить визуально проходной выключатель можно по следующим признакам:
- на одноклавишном проходном выключателе три клеммы для подключения проводов (на двухклавишном шесть клемм)
- часто на обратной стороне переключателя указывается схема расположения клемм и их соответствия контактам
- на упаковке могут присутствовать обозначения "схема 6" (для одноклавишного переключателя) и "схема 6 + схема 6" (для двухклавишного переключателя)
Есть два варианта схемы управления светом из двух мест. Первая схема чаще всего приводится в статьях, инструкциях к проходным выключателям и каталогах производителей. Принцип её работы заключается в том, что в зависимости от положения выключателя напряжение подаётся либо на одну, либо на другую жилу провода между проходными выключателями.
Например: если первый выключатель переключен в положение «вверх» по схеме, а второй «вниз», то лампа гореть не будет. Если первый выключатель переключить в положение «вниз», подав напряжение на нижний по схеме провод, то светильник засветится и наоборот. Таким образом, можно включить и выключить свет любым из выключателей, что наглядно отражено на следующей иллюстрации.
Существует еще одна схема управления светом из двух мест, однако, она практически уже не используется, т.к. больше подходила для работы с использованием ламп накаливания и с современными видами ламп может работать некорректно, а также она менее безопасна, по сравнению с первой схемой подключения. Суть этой схемы в том, что рядом с точкой установки каждого из выключателей есть одноименная фаза и ноль, например, есть розетки. К неподвижным контактам выключателя подключается и фаза и ноль, а к переключающимся контактам подключается провод от светильника. В зависимости от положения выключателя, на светильник поступает либо фаза с двух сторон, либо фаза и ноль. Будьте внимательны, т.к. для работы этой схемы оба выключателя должны подключаться к одной фазе.
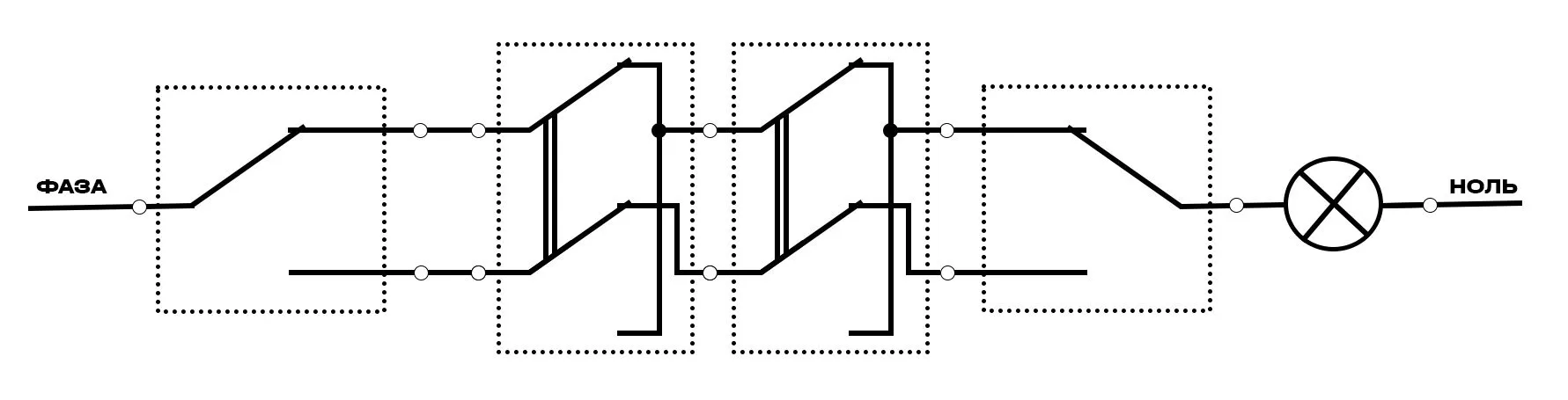
Управление светом из трех и более мест - схема с проходными и перекрестными выключателями
Если же необходимо организовать возможность управления светом из трех или более мест, то в схеме помимо проходных выключателей будут использоваться еще перекрестный выключатель (иногда его еще называют проходной переключатель или промежуточный переключатель). От проходного выключателя он отличается тем, что у него две пары контактов, в отличие от предыдущих – они переключаются крест-накрест. То есть у этого выключателя два входных и два выходных контакта.
Определить визуально перекрестный выключатель можно по следующим признакам:
- на одноклавишном перекрестном выключателе четыре клеммы для подключения проводов (на двухклавишном восемь клемм)
- часто на обратной стороне переключателя указывается схема расположения клемм и их соответствия контактам
- на упаковке могут присутствовать обозначения "схема 7" (для одноклавишного перекрестного выключателя) и "схема 7 + схема 7" (для двухклавишного перекрестного выключателя)
Для масштабирования схемы, то есть увеличения количества выключателей нужно просто добавить перекрестный выключатель. Перекрестные выключатели в схеме всегда расположены между проходными выключателями. Ниже приведен пример схемы управления светом из четырех мест. Если нужно задействовать больше мест управления светом одним источником, то действуйте по аналогично, добавляя по одному перекрестному выключателю.
В настоящее время схемы подключения из нескольких мест посредством проходных и перекрестных выключателей применяют всё реже. Причиной тому стало появление недорогой автоматики, радиореле с возможностью привязки пультов дистанционного управления, различных «умных» светильников и устройств, которые управляются от обычных выключателей. Основной недостаток таких схем с проходными выключателями - это относительно сложный монтаж, необходимость прокладки нескольких линий между выключателями, а также увеличение расхода кабеля, если светильник расположен далеко или сами выключатели друг от друга.
Если нужен профессиональный совет, всегда можно обратиться к специалистам компании «Стайл Электро». В каталоге магазина всегда представлены проходные и перекрестные выключатели различных брендов, поэтому у вас будет из чего выбирать. Обращайтесь и мы сделаем лучшее ценовое предложение для Вас.
